General Operation Knowledge of DC Rectifier
Definition of Constant Voltage (C.V.) Mode and Constant Current (C.C.) Mode.
C.V. mode: The constant voltage mode refers to a working mode in which the current ampere value of the load changes within the dc power unit’s amperes rating, while the output voltage value of the DC power unit remains constant. That is, when the load changes and the output current (Amperes) changes, the output voltage remains under the predetermined voltage value and remains unchanged.
C.C. mode: The constant current mode refers to the working mode in which the resistance value of the load /application changes within their rated value, while the output current of the DC power unit remains stable. That is, when the resistance value of the load changes and the output voltage changes, the output current remains under the predetermined current value and remains unchanged.
Under Constant Voltage operation, the output voltage can be continuously adjusted, while the output current ampere is determined by the load characteristics. Under constant current operation, the output current ampere can be continuously adjusted, while the output voltage is determined by the load characteristics.
The working mode state of a DC power unit with either a constant voltage or constant current mode should be decided by the loads applications. Generally speaking, when the load is at rated voltage, and the load consumption ampere value is less than the preset current value, the DC power unit runs in constant voltage mode; However, when the load consumption ampere value is greater than the preset current value, the DC power unit runs in constant current mode.
The states of Constant Voltage mode and Constant Current mode are mutual existence, that is, the DC power unit either operates in constant voltage mode or in constant current mode. Therefore, users should preset the required voltage value or current value correctly based on their applications.
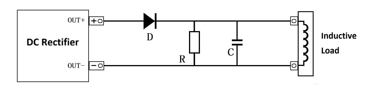
DC Rectifier for different types loads or applications
- DC Rectifier used for Capacitive Loads: Due to the fact that capacitive loads often cause an increase in output voltage, especially when the output voltage is adjusted from high to low, it can lead to a slow decrease in output voltage. Therefore, it is recommended to connect a power resistor in parallel with the output of the DC Rectifier, and a diode in series between the output and the load to achieve better performance.

- DC Rectifier used for Inductive Loads: When the DC Rectifier is turned on and off, or when the output voltage is changed, inductive loads will generate reverse induced electromotive force, which will affect the normal operation of the DC Rectifier and even cause damage to the Rectifier. In this case, it is recommended to connect a diode in series between the output terminal of the DC rectifier and the load, and a power resistor and a capacitor are connected in parallel at the load terminal to form an RC absorption circuit, which can effectively protect the DC Rectifier.

- DC Rectifier used for Batteries: When a DC Rectifier is used for batteries charging applications, in order to avoid damage to the DC power unit caused by incorrect connections between the positive and negative terminals of the DC Rectifier’s output to the corresponding poles of battery, a diode should be connected in series between DC rectifier and the battery to protect the safe use of the DC Rectifier.

- DC Rectifier used for Motors: When a DC Rectifier supplies power to motors, a large reverse current will be generated when the motor suddenly brakes (stops moving or decelerates). Due to the DC power unit disable to absorb the reverse current generated from the motor, the output voltage value from DC Rectifier will be increased. The solution is to connect a diode in series between the output terminal of the DC Rectifier and the motor, and to connect a discharge resistor in parallel at the load to absorb the reverse current. When the reverse current is in spike form, it is recommended to connect a large capacity CBB in parallel at both ends of the load.




